Купить автономный воздушный отопитель ПЛАНАР 4DM2-24-S (3 КВТ)
Автономный воздушный отопитель ПЛАНАР 4ДМ2-12-S работает независимо от автомобильного двигателя. Проверенный годами эксплуатации, надёжный 12 В воздушный отопитель подходит для поддержания комфортной температуры в автобусах, фургонах, легковых и грузовых автомобилях. Российский аналог импортных отопителей WEBASTO и EBERSPACHER.
- Тип топлива = дизельное топливо
- Напряжение = 24 В
- Теплопроизводительность = от 1 до 3 кВт
- Потребляемая мощность = от 9 до 36 Вт
- Расход топлива, не более = 0.37 л/ч
- Время запуска с прогревом = 230 - 350 сек.
- Объем нагреваемого воздуха = от 70 до 120 куб.метров
Купить автономный отопитель ПЛАНАР 4DM2-24-S (2 КВТ) в Нижнем Новгороде
Модель воздушного отопителя ПЛАНАР 4DM2-24-S, не имеющая аналогов российского производства. В отопителе применены собственные запатентованные разработки камеры сгорания, новые технологии управления запуском и свеча накаливания японского производства. Российский аналог импортных отопителей WEBASTO и EBERSPACHER.
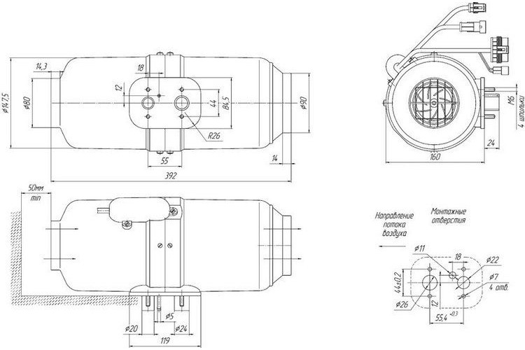
По габаритным размерам ПЛАНАР 4DM2-24-S сопоставим с отопителями импортного производства, также подходит по штатным местам крепления для замены отопителей других марок, в случае их дорогостоящего ремонта. Монтажный комплект включенный в состав упаковки включает все самое необходимое и позволяет установить отопитель почти на любое автотранспортное средство.
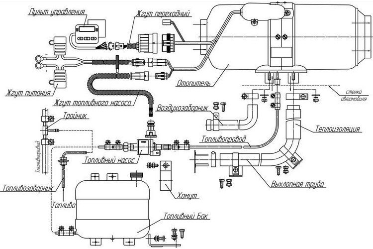
Автономный отопитель салона (кабины) ПЛАНАР 4DM2-24-S включает в себя:
- нагреватель
- топливный насос
- устройство пуска и индикации
- жгуты проводов для соединения элементов отопителя с аккумуляторной батареей автомобиля.
Отопитель ПЛАНАР 4DM2-24-S работает независимо от автомобильного двигателя. Питание отопителя топливом и электроэнергией осуществляется от автотранспортного средства. Принцип действия отопителя при обогреве основан на разогреве воздуха, принудительно вентилируемого через теплообменную систему отопителя. В качестве источника тепла используются газы от сгорания топливной смеси в камере сгорания. Полученное тепло нагревает стенки теплообменника, который с внешней стороны обдувается воздухом. Проходя через ребра теплообменника, воздух нагревается и поступает в салон автомобиля или помещение АТС, аналогично отопителям ВЕБАСТО.
Сразу после включения ПЛАНАР 4DM2-24-S начинается тестирование и контроль элементов автономного отопителя. При исправном состоянии отопителя начинается процесс розжига. Вначале производится продувка камеры сгорания, затем свеча накаливания разогревается до нужной температуры. Затем поджигается топливо. После того, как горение стабилизируется, свеча накаливания отключается.
Управление отопителем осуществляется из кабины ( кунга) или по дистанционному управлению. Подходит для длительной работы с минимальным потреблением топлива и электроэнергии. Обеспечивает комфортный и экономичный отдых.
Питание отопителя ПЛАНАР 4DM2-24-S может осуществляться из топливного бака автомобиля или из топливного бака, входящего в комплектацию отопителя Планар.
Технические характеристики ПЛАНАР 4D-24-S
| РЕЖИМЫ | СИЛЬНЫЙ | МАЛЫЙ |
| Теплопроизводительность, кВт | 3 | 1" |
| Расход топлива, л/час | 0,37 | 0,12 |
| Потребляемая мощность отопителя 12В, Вт | 36 | 9 |
| Количество нагреваемого воздуха, м3/ч | 120 | 70 |
| Применяемое топливо | дизельное топливо по ГОСТ 305 | |
| Номинальное напряжение питания, В | 24 | |
| Режим запуска и остановки | Ручной | |
| Масса со всеми комплектующими, кг не более | 8 | |
| Габариты упаковки, см | 570 х 350 х 350 | |
Преимущества Планар 4ДМ2-24:
Низкая цена
Автономный отопитель Планар 4ДМ2-24 по стоимости в разы дешевле, чем схожие по характеристикам импортные отопители.
Малый расход топлива
При работе на малой мощности расход дизельного топлива у Планар 4ДМ2-24 — около 120 грамм в час. При обогреве на полной мощности воздушный отопитель Планар 4ДМ2-24 расходует 360 грамм топлива в час, что гораздо меньше чем при обогреве кабины от работающего двигателя.
Возможность работы по мощности либо по температуре
Воздушный отопитель Планар 4ДМ2-24 способен как работать сразу на максимальной мощности (например когда нужно быстро прогреть кабину или фургон), так и поддерживать определенную температуру воздуха, включаясь при срабатывании датчика температуры.
Малое потребление электроэнергии
При обогреве автомобиля от Планар 4ДМ2-24 при заглушенном двигателе можно не бояться быстро «посадить» аккумулятор. Даже при максимальном режиме работы автономка Планар 4ДМ2-24 потребляет всего лишь около 30 ватт энергии.
Низкий уровень шума и увеличенный ресурс работы
В конструкции отопителя Планар 4ДМ2-24 используется бесколлекторный электродвигатель оригинальной конструкции, что существенно снижает шум при работе автономки.
Автоматическая диагностика работы отопителя
Планар 4ДМ2-24 оснащен управляющим блоком, который непрерывно контролирует все параметры работы прибора и в случае возникновения неисправности выдает сигнал и сообщает код ошибки.
Комплект поставки воздушного отопителя Планар 4Д-12
Iveco Daily и планар 44Д-12
Тэги: отопитель Планар, воздушный отопитель, автономный отопитель



